
Planetary gearbox system PTGS 400 designed by MGM COMPRO for own line of high performance inrunner electric motors offers extended integrated functionality for the control of single action hydraulic constant speed propellers (governor). Paralelly PTGS 400 provides as well range of safety features including the overspeed protection to guarantee safe operation and
comfortable control for pilots.


| DATA | VALUE | UNIT |
| Maximal axial force | up to 10000 | N |
| Peak torque | 1 950 | Nm |
| Efficiency | 98 | % |
| Peak power | 400 | kW |
| Continuous power | 350 | kW |
| Limiting speed | 8 000 | RPM |
| Gear box ration | 3,6363 : 1 | |
| Cooling system | AEROSHELL TURBINE OIL 390 | |
| Propeller governor | Hydraulic – 1 action | |
| Popeller Overspeed | Hydraulic | |
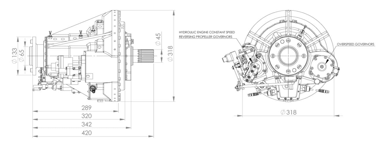
| Dimensins | 289 x 318 x 318 | mm |
| Weight (excl. Governor and Overspeed) | 50 | kg |
Please enter your e-mail address and phone number and we will get back to you shortly.